Práctica extra 05. Red de Petri. 2_LLENA.

Aplicación práctica en 2_LLENA.sim

2_LLENA-PCsimu.png

Dibujamos nuestra red de Petri usando inkscape

2-LLENA-PETRI.svg

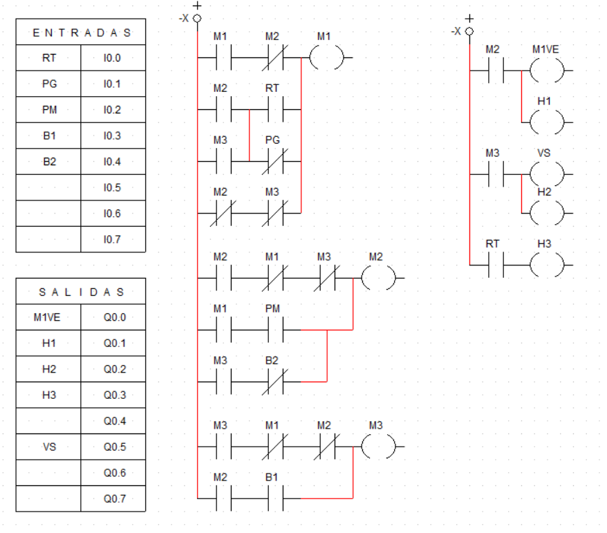
Convertimos la red Petri a LADDER y la dibujamos en cade-simu

Dar click derecho y "guardar enlace como" para descargar el archivo
img-cade

Abrimos el pc-simu y cargamos el siguiente archivo.

Dar click derecho y "guardar enlace como" para descargar el archivo

Comprobamos que funciona correctamente

Abiertos los resultados en cade-simu y pc-simu comprobamos su funcionamiento.